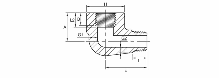
TH Street Elbows

Forged Threaded Fittings – Street Elbows
Nominal
Pipe Size, NPS
Center-to-Female End Street Ells,
A
[Note(1)]
Center-to-Male
End Street Ells,
J
Outside Diameter of Band, H
[Note(2)]
Min. Wall Thickness,
G1
Min. Wall Thickness,
G2
[Note(3)]
Min. Length Internal Thread
[Note (4)]
Min. Length Male Thread
Class Designation Class Designation Class Designation Class Designation Class Designation
3000 6000 3000 6000 3000 6000 3000 6000 3000 6000 B L2 L
1 ⁄ 8 19.00 22.00 25.00 32.00 19.00 25.00 3.18 5.08 2.74 4.22 6.40 6.70 10.00
1 ⁄ 4 22.00 25.00 32.00 38.00 25.00 32.00 3.30 5.66 3.22 5.28 8.10 10.20 11.00
3 ⁄ 8 25.00 28.00 38.00 41.00 32.00 38.00 3.51 6.98 3.50 5.59 9.10 10.40 13.00
1 ⁄ 2 28.00 35.00 41.00 48.00 38.00 44.00 4.09 8.15 4.16 6.53 10.90 13.60 14.00
3 ⁄ 4 35.00 44.00 48.00 57.00 44.00 51.00 4.32 8.53 4.88 6.86 12.70 13.90 16.00
1 44.00 51.00 57.00 66.00 51.00 62.00 4.98 9.93 5.56 7.95 14.70 17.30 19.00
1-1⁄4 51.00 54.00 66.00 71.00 62.00 70.00 5.28 10.59 5.56 8.48 17.00 18.00 21.00
1-1⁄2 54.00 64.00 71.00 84.00 70.00 84.00 5.56 11.07 6.25 8.89 17.80 18.40 21.00
2 64.00 83.00 84.00 105.00 84.00 102.00 7.14 12.09 7.64 9.70 19.00 19.20 22.00
GENERAL NOTE: Dimensions are in millimeters.
NOTES: 

(1) Dimension A of Table 5 for the appropriate fitting size may also be used at the option of the manufacturer.
(2) Dimension H of Table 5 for the appropriate fitting size may also be used at the option of the manufacturer,
(3) Wall thickness before threading.
“(4) Dimension B is minimum length of perfect thread. The length of useful thread (B plus threads with fully formed roots and flat crests)
shall not be less than L2 (effective length of external thread) required by American National Standard for Pipe Threads (ASME B1.20.1). See para. 6.3. (As per ASME B16.11-2005)”

ADDRESS

Plot No. 496/4, G.I.D.C Makarpura,Vadodara,Gujarat 390010 India.

CONTACT NUMBER

+ 081286 81989

+ 099740 91681